Containerförråd för flexibel och säker förvaring
Containerförråd i varmgalvaniserat stål är den perfekta lösningen när du vill ha en säker och flexibel förvaringslösning till konkurrenskraftigt pris. Våra containrar är väderbeständiga och byggda för att kunna placeras utomhus men naturligtvis utgör de även en perfekt förvaringslösning för inomhusbruk. De två dubbla svängdörrarna med lås och handtag ger en säker och enkel åtkomst till containern och gör det möjligt att förvara även stora föremål. Om du har behov av att förvara olika föremål och material kommer containrarna i de allra flesta fall erbjuda nog med utrymme för detta. En viktig egenskap är att våra containerförråd kan monteras och demonteras vid behov, vilket betyder att du kan få allt det förvaringsutrymme du behöver när du behöver det. Containrarna kan naturligtvis transporteras med truck eller kran. Med andra ord, med en eller flera av dessa funktionella containrar, får du optimal förvaring och flexibilitet då containrarna endast tar upp ett begränsat utrymme när de är demonterade.
Miljöcontainer med uppsamlingskar i botten
Företag som förvarar oljebaserade och brandfarliga ämnen har speciella krav när det gäller förvaringsanläggningar. Våra miljöcontainrar uppfyller dessa krav eftersom de har uppsamlingskar i botten för att undvika exempelvis kemiska spill. Med en kraftig miljöcontainer säkerställer ni att ert material förvaras säkert för att skydda miljön.
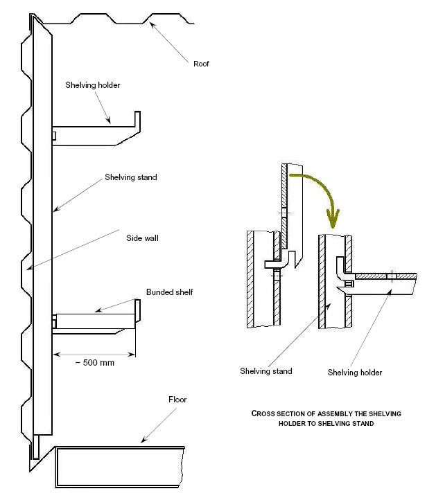
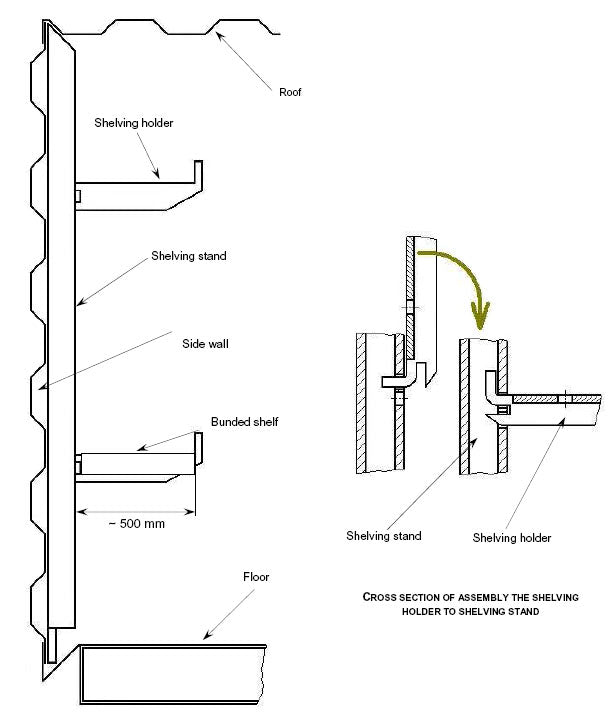
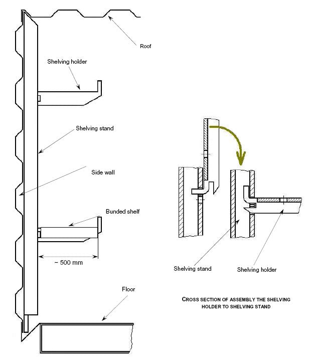
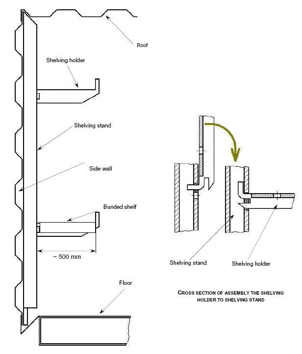
Containerförråd med speciella funktioner
Containerförråd från Dancover finns med olika extra tillbehör som du kan lägga till vid behov. Du kan exempelvis köpa hyllor, infartsramp, gastubhållare, låsbommar, glidskenor till gaffeltruck och ventilationsgaller. Observera att du själv måste montera och installera de olika tillbehören – inklusive att skära ett hål för luftgallret och montera det med fyra blindnitar!













































































